Rørbøjle med gummiindlæg, stål, varmforzinket, D=6,4mm, B=12,7mm, hul D=6,4mm, E=16,2

MT110730
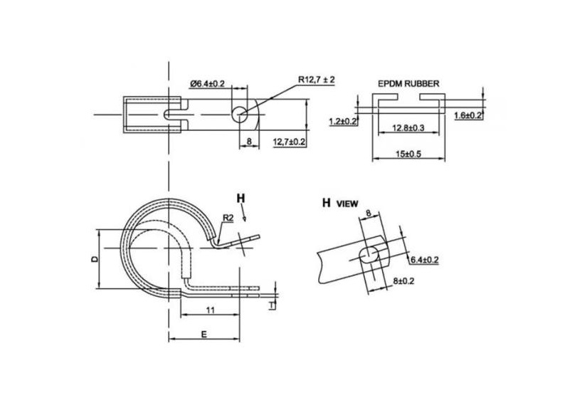
Rørbøjle med gummiindlæg, fremstillet i stål der er varmforzinket. Diameteren er6,4mm og bredden er 12,7mm. Huldiameteren er 6,4mm. Afstanden mellem hul-centre er16,2mm. Vi tilbyder mange forskellige typer produkter, så hvis du ikke kan finde det du søger så kontakt os.
E
16,2
Gummimateriale
EPDM
Materialetype
Stål
Materialeudførelse
W1
Overflade
Varmforzinket
Serier
SMS
Type
Med gummiindlæg
Diameter i mm
6,4
Huldiameter i mm
6,4
Tykkelse i mm
0,8
Beskrivelse
Rørbøjle med gummiindlæg, fremstillet i stål der er varmforzinket. Diameteren er6,4mm og bredden er 12,7mm. Huldiameteren er 6,4mm. Afstanden mellem hul-centre er16,2mm. Vi tilbyder mange forskellige typer produkter, så hvis du ikke kan finde det du søger så kontakt os.

Produktdata

eller opret en konto for at se priser, downloade datablade og CAD filer*

Opret konto

*ikke tilgængelig på alle varer