Rørholder med gummiindlæg, stål, Diameter interval: 12-15mm

MT110779

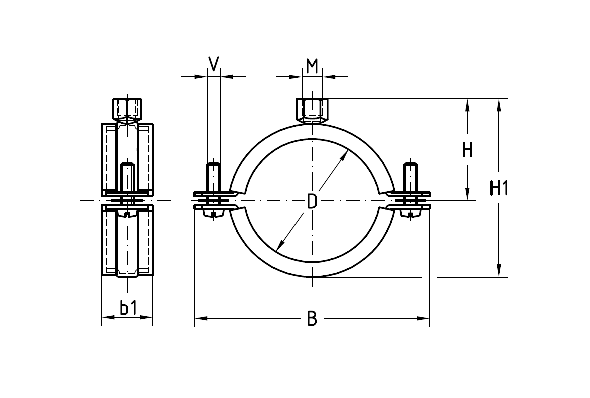
Rørholder med gummiindlæg fremstillet i stål. Bredden er 21mm og diameterintervallet er 12-15mm. Gummiindlægget er temperaturbestandig fra - 50 °C til + 110 °C.
Udstyret med M6 krydskærv lukkeskruer. Vi tilbyder mange forskellige typer produkter, så hvis du ikke kan finde det du søger så kontakt os.

B
48,5
Gummimateriale
EPDM
H
28,5
H1
40
Indvendigt gevindstørrelse
M8
Materialetype
Stål
Overflade
Elforzinket
Type
Med gummiindlæg
Huldiameter i mm
0
Maksimum belastning i kg
87
Tykkelse i mm
0
Beskrivelse

Rørholder med gummiindlæg fremstillet i stål. Bredden er 21mm og diameterintervallet er 12-15mm. Gummiindlægget er temperaturbestandig fra - 50 °C til + 110 °C.
Udstyret med M6 krydskærv lukkeskruer. Vi tilbyder mange forskellige typer produkter, så hvis du ikke kan finde det du søger så kontakt os.

Produktdata

eller opret en konto for at se priser, downloade datablade og CAD filer*

Opret konto

*ikke tilgængelig på alle varer