Rørbøjle, syrefast stål, M6x25mm, IB=14mm, IH=32mm

MT109346
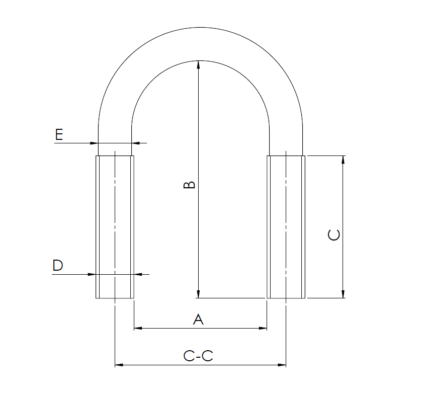
Rørbøjle fremstillet i syrefast stål med et M6x25mm gevind. Den indvendige bredde er 14mm og den indvendige højde er 32 mm. Vi tilbyder mange forskellige typer produkter, så hvis du ikke kan finde det du søger så kontakt os.
Gevindstørrelse
M6
Materiale
AISI 316
Materialetype
Syrefast stål
Gevindlængde i mm
25
Hulmål i mm
20
Indvendig bredde i mm
14
Indvendig højde i mm
32
Beskrivelse
Rørbøjle fremstillet i syrefast stål med et M6x25mm gevind. Den indvendige bredde er 14mm og den indvendige højde er 32 mm. Vi tilbyder mange forskellige typer produkter, så hvis du ikke kan finde det du søger så kontakt os.

Produktdata

eller opret en konto for at se priser, downloade datablade og CAD filer*

Opret konto

*ikke tilgængelig på alle varer