Tunge, standard, stål, L=45, B=19, offset højde=14 mm
MT100639 
        
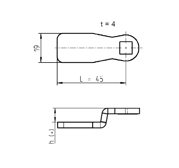
            Tunge af typen standard fremstillet i stål, en længde på 45mm, en bredde på 19mm og en offset højde på 14mm. Bruges med kompressionslåse. Vi tilbyder låse, indsats og tunger i mange typer og varianter, så hvis du ikke kan finde det du søger så kontakt os.
        
    
    
    
    
    
                    
                Anslag
            
            
                Nej
            
        
                Komponenter
            
            
                Tunge
            
        
                Materialetype
            
            
                Stål
            
        
                Monteringstype
            
            
                Skrue montage
            
        
                Overflade
            
            
                Elforzinket
            
        
                Type
            
            
                Standard
            
        
                Længde i mm
            
            
                45
            
        
                Låsehus højde i mm - GH
            
            
                0
            
        
                Offset højde i mm
            
            
                14
            
        
                Pladetykkelse min.
            
            
                0
            
        
                Pladetykkelse max.
            
            
                0
            
        
                Tykkelse i mm
            
            
                4
            
        
                Beskrivelse
            
            
                Tunge af typen standard fremstillet i stål, en længde på 45mm, en bredde på 19mm og en offset højde på 14mm. Bruges med kompressionslåse. Vi tilbyder låse, indsats og tunger i mange typer og varianter, så hvis du ikke kan finde det du søger så kontakt os.
            
        Produktdata
eller opret en konto for at se priser, downloade datablade og CAD filer*
Opret konto*ikke tilgængelig på alle varer