Udtræksskinne, rustfrit stål, udtrækslængde =280 mm og bæreevne på 17 kg

MT105294
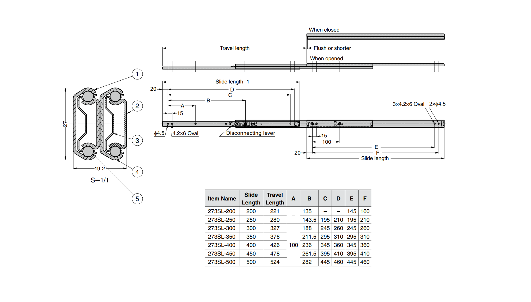
Udtræksskinne i rustfrit stål med fuldt udtræk og en udtrækslængde på 280mm. Bæreevnen er 17kg/par. Uden friktionslås. RoHS 2 godkendt. Special produkter kan leveres på forespørgsel, hvis produkter i standard sortimentet ikke dækker behovet.
Aftagelig
Ja
Materialetype
Rustfrit stål
Type
Fuldt udtræk
Bæreevne i kg
17
Højde i mm
27
Længde i mm
250
Udtrækslængde i mm
280
Beskrivelse
Udtræksskinne i rustfrit stål med fuldt udtræk og en udtrækslængde på 280mm. Bæreevnen er 17kg/par. Uden friktionslås. RoHS 2 godkendt. Special produkter kan leveres på forespørgsel, hvis produkter i standard sortimentet ikke dækker behovet.

Produktdata

eller opret en konto for at se priser, downloade datablade og CAD filer*

Opret konto

*ikke tilgængelig på alle varer