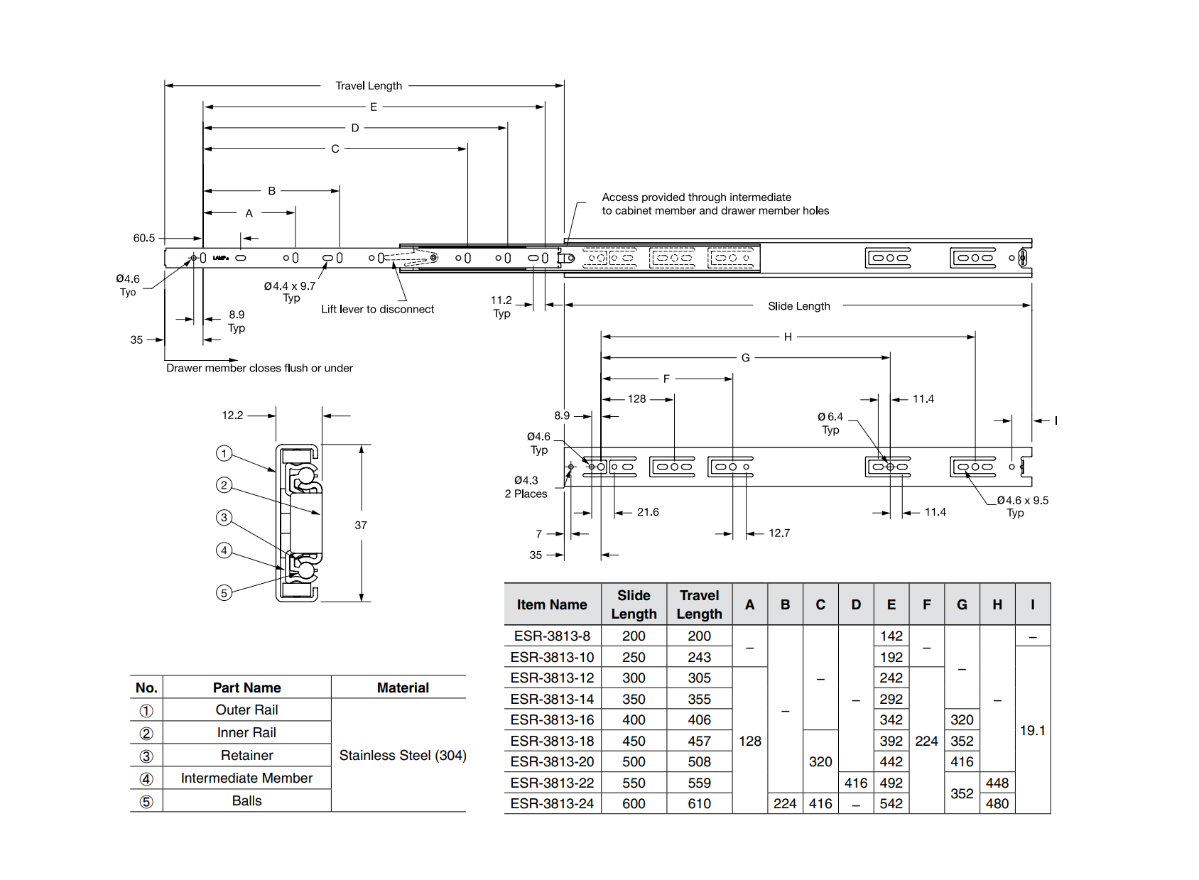
Udtræksskinne, rustfrit stål, udtrækslængde =305 mm og bæreevne på 40 kg

MT109791
Udtræksskinne i rustfrit stål med fuldt udtræk og en udtrækslængde på 305mm. Bæreevnen er 40kg/par. Med friktionslås. Special produkter kan leveres på forespørgsel, hvis produkter i standard sortimentet ikke dækker behovet.
Aftagelig
Ja
Materialetype
Rustfrit stål
Type
Fuldt udtræk
Vægt
637
Bæreevne i kg
40
Højde i mm
37
Længde i mm
300
Udtrækslængde i mm
305
Beskrivelse
Udtræksskinne i rustfrit stål med fuldt udtræk og en udtrækslængde på 305mm. Bæreevnen er 40kg/par. Med friktionslås. Special produkter kan leveres på forespørgsel, hvis produkter i standard sortimentet ikke dækker behovet.

Produktdata

eller opret en konto for at se priser, downloade datablade og CAD filer*

Opret konto

*ikke tilgængelig på alle varer