Udtræksskinne, rustfrit stål, udtrækslængde =355 mm og bæreevne på 38 kg

MT109792
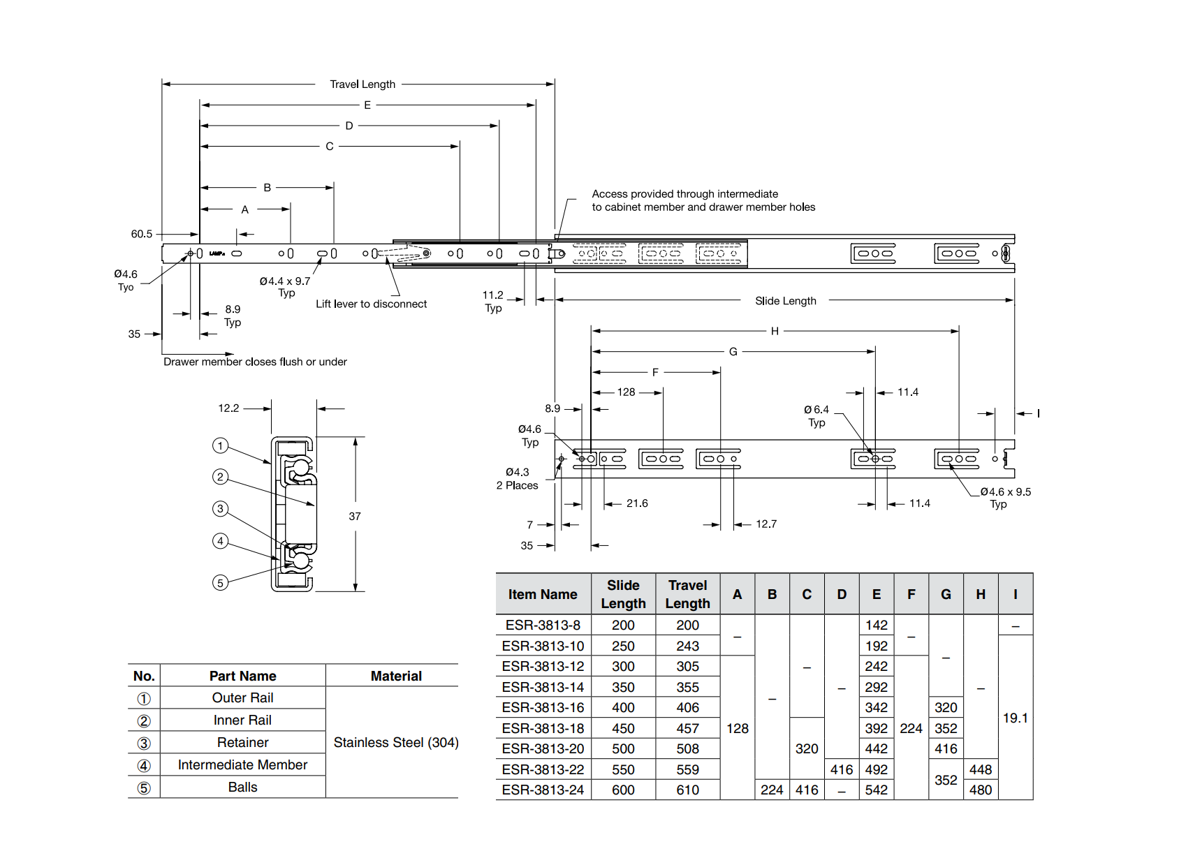
Udtræksskinne i rustfrit stål med fuldt udtræk og en udtrækslængde på 355mm. Bæreevnen er 38kg/par. Med friktionslås. Special produkter kan leveres på forespørgsel, hvis produkter i standard sortimentet ikke dækker behovet.
Aftagelig
Ja
Materialetype
Rustfrit stål
Type
Fuldt udtræk
Vægt
726
Bæreevne i kg
38
Højde i mm
37
Længde i mm
350
Udtrækslængde i mm
355
Beskrivelse
Udtræksskinne i rustfrit stål med fuldt udtræk og en udtrækslængde på 355mm. Bæreevnen er 38kg/par. Med friktionslås. Special produkter kan leveres på forespørgsel, hvis produkter i standard sortimentet ikke dækker behovet.

Produktdata

eller opret en konto for at se priser, downloade datablade og CAD filer*

Opret konto

*ikke tilgængelig på alle varer