Udtræksskinne, rustfrit stål, udtrækslængde =406 mm og bæreevne på 36 kg

MT109793
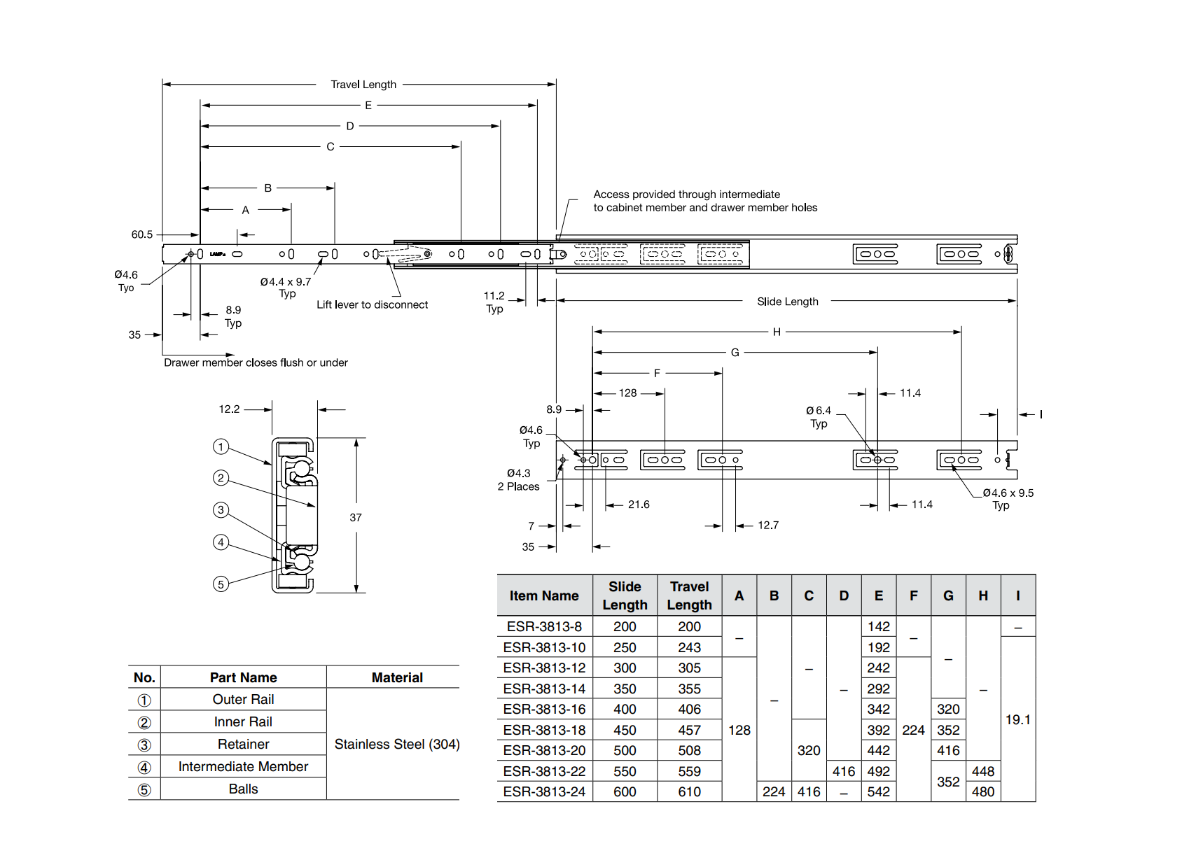
Udtræksskinne i rustfrit stål med fuldt udtræk og en udtrækslængde på 406mm. Bæreevnen er 36kg/par. Med friktionslås. Special produkter kan leveres på forespørgsel, hvis produkter i standard sortimentet ikke dækker behovet.
Aftagelig
Ja
Materialetype
Rustfrit stål
Type
Fuldt udtræk
Vægt
816
Bæreevne i kg
36
Højde i mm
37
Længde i mm
400
Udtrækslængde i mm
406
Beskrivelse
Udtræksskinne i rustfrit stål med fuldt udtræk og en udtrækslængde på 406mm. Bæreevnen er 36kg/par. Med friktionslås. Special produkter kan leveres på forespørgsel, hvis produkter i standard sortimentet ikke dækker behovet.

Produktdata

eller opret en konto for at se priser, downloade datablade og CAD filer*

Opret konto

*ikke tilgængelig på alle varer