Udtræksskinne, rustfrit stål, udtrækslængde =471,4 mm og bæreevne på 250 kg
MT109750 
        
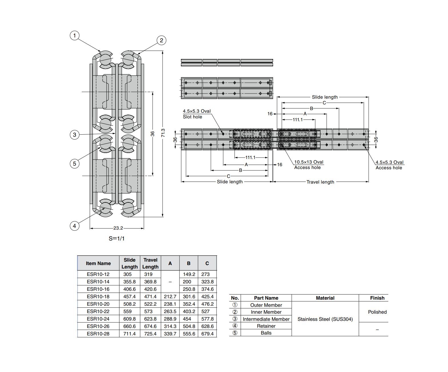
            Udtræksskinne i rustfrit stål med fuldt udtræk og en udtrækslængde på 471,4mm. Bæreevnen er 250kg/par. Uden friktionslås. RoHS 2 godkendt. Special produkter kan leveres på forespørgsel, hvis produkter i standard sortimentet ikke dækker behovet.
        
    
    
    
    
    
                    
                Detachable
            
            
                Nej
            
        
                Material type
            
            
                Rustfrit stål
            
        
                Surface finish
            
            
                Poleret
            
        
                Type
            
            
                Fuldt udtræk
            
        
                Load capacity in kg
            
            
                250
            
        
                Height in mm
            
            
                71,3
            
        
                Length in mm
            
            
                457,4
            
        
                Extension length in mm
            
            
                471,4
            
        
                Beskrivelse
            
            
                Udtræksskinne i rustfrit stål med fuldt udtræk og en udtrækslængde på 471,4mm. Bæreevnen er 250kg/par. Uden friktionslås. RoHS 2 godkendt. Special produkter kan leveres på forespørgsel, hvis produkter i standard sortimentet ikke dækker behovet.
            
        Produktdata
eller opret en konto for at se priser, downloade datablade og CAD filer*
Opret konto*ikke tilgængelig på alle varer