Udtræksskinne, rustfrit stål, udtrækslængde =550 mm og bæreevne på 43 kg
MT109823 
        
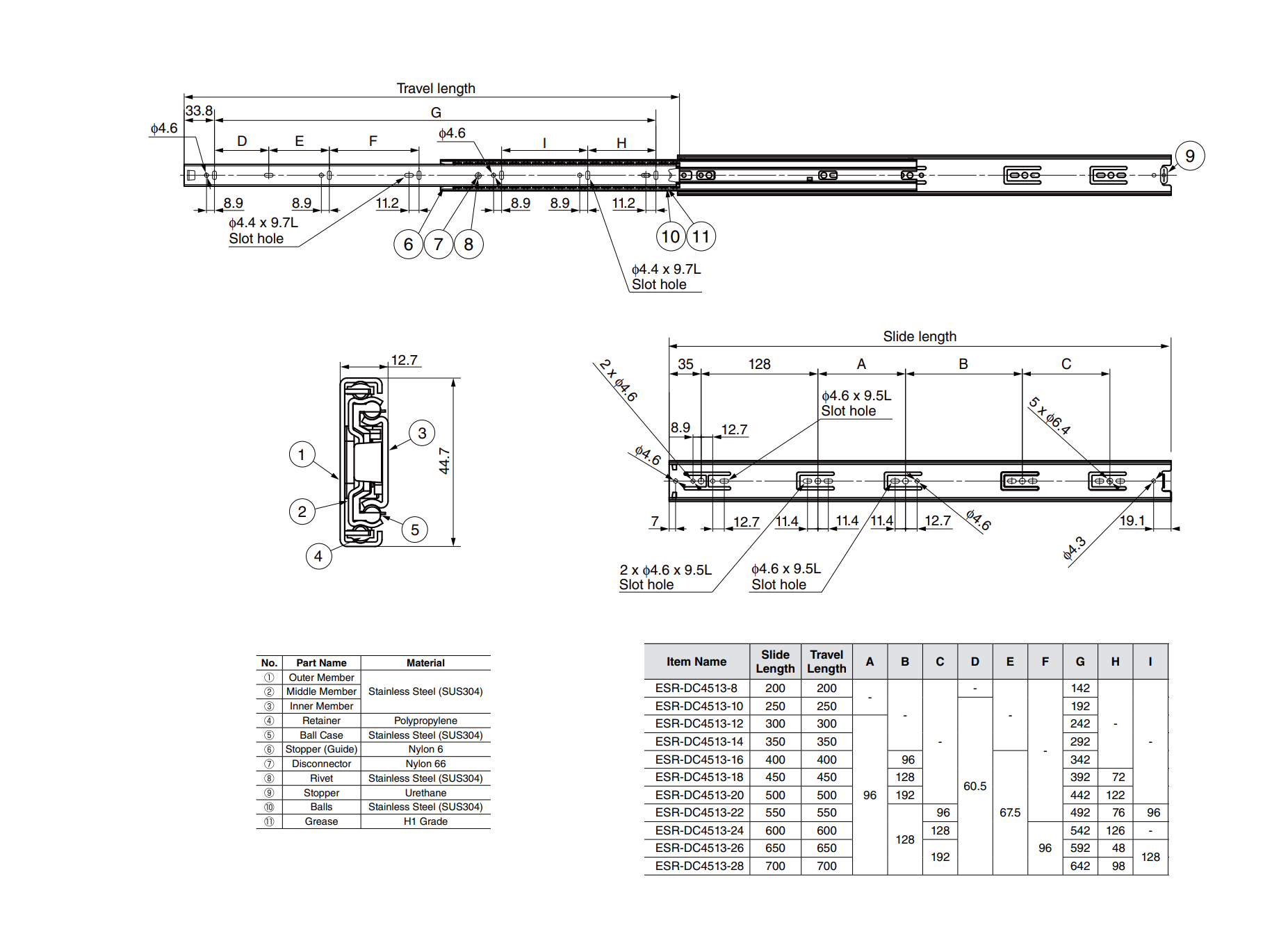
            Udtræksskinne i rustfrit stål med fuldt udtræk og en udtrækslængde på 550mm. Bæreevnen er 43kg/par. Med friktionslås. RoHS 2 godkendt. Special produkter kan leveres på forespørgsel, hvis produkter i standard sortimentet ikke dækker behovet.
        
    
    
    
    
    
                    
                Detachable
            
            
                Ja
            
        
                Material type
            
            
                Rustfrit stål
            
        
                Type
            
            
                Fuldt udtræk
            
        
                Vægt
            
            
                1662
            
        
                Load capacity in kg
            
            
                43
            
        
                Height in mm
            
            
                44,7
            
        
                Length in mm
            
            
                550
            
        
                Extension length in mm
            
            
                550
            
        
                Beskrivelse
            
            
                Udtræksskinne i rustfrit stål med fuldt udtræk og en udtrækslængde på 550mm. Bæreevnen er 43kg/par. Med friktionslås. RoHS 2 godkendt. Special produkter kan leveres på forespørgsel, hvis produkter i standard sortimentet ikke dækker behovet.
            
        Produktdata
eller opret en konto for at se priser, downloade datablade og CAD filer*
Opret konto*ikke tilgængelig på alle varer