Udtræksskinne, rustfrit stål, udtrækslængde =573 mm og bæreevne på 229 kg
MT109752 
        
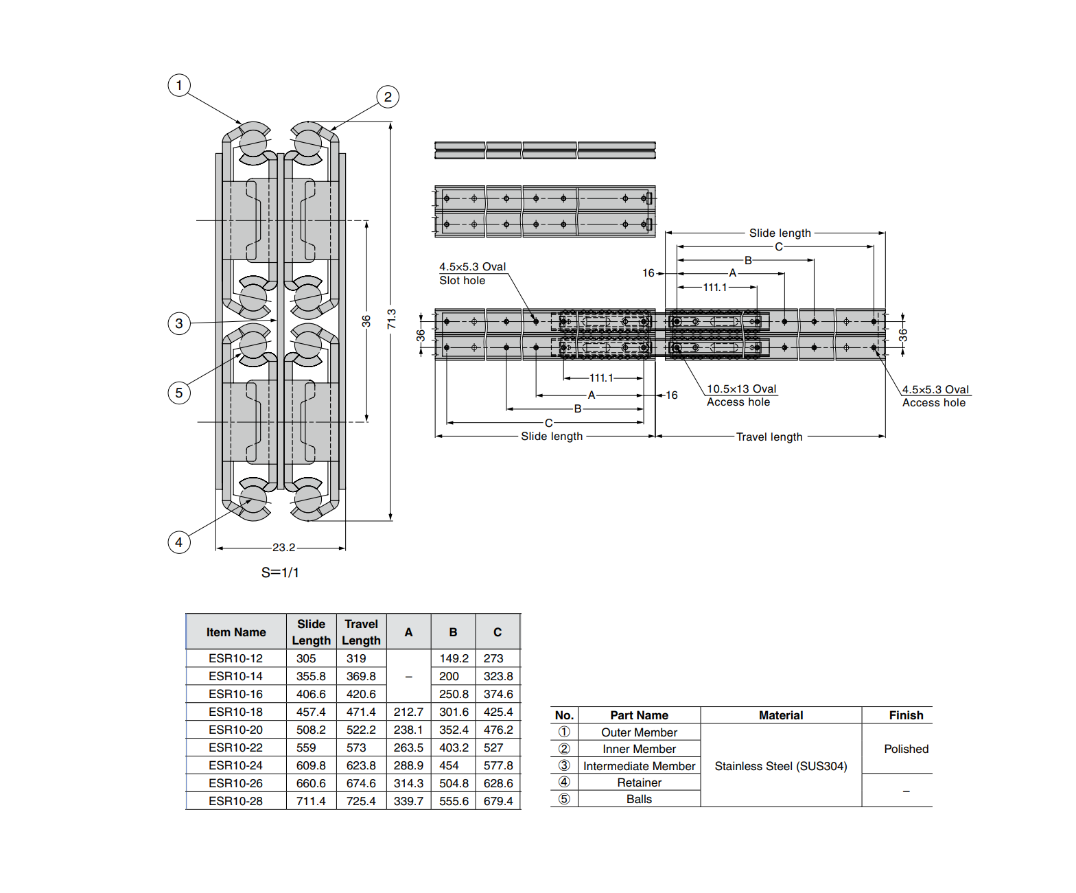
            Udtræksskinne i rustfrit stål med fuldt udtræk og en udtrækslængde på 573mm. Bæreevnen er 229kg/par. Uden friktionslås. RoHS 2 godkendt. Special produkter kan leveres på forespørgsel, hvis produkter i standard sortimentet ikke dækker behovet.
        
    
    
    
    
    
                    
                Aftagelig
            
            
                Nej
            
        
                Materialetype
            
            
                Rustfrit stål
            
        
                Overflade
            
            
                Poleret
            
        
                Type
            
            
                Fuldt udtræk
            
        
                Bæreevne i kg
            
            
                229
            
        
                Højde i mm
            
            
                71,3
            
        
                Længde i mm
            
            
                559
            
        
                Udtrækslængde i mm
            
            
                573
            
        
                Beskrivelse
            
            
                Udtræksskinne i rustfrit stål med fuldt udtræk og en udtrækslængde på 573mm. Bæreevnen er 229kg/par. Uden friktionslås. RoHS 2 godkendt. Special produkter kan leveres på forespørgsel, hvis produkter i standard sortimentet ikke dækker behovet.
            
        Produktdata
eller opret en konto for at se priser, downloade datablade og CAD filer*
Opret konto*ikke tilgængelig på alle varer