Udtræksskinne, rustfrit stål, udtrækslængde =610 mm og bæreevne på 29 kg

MT109797
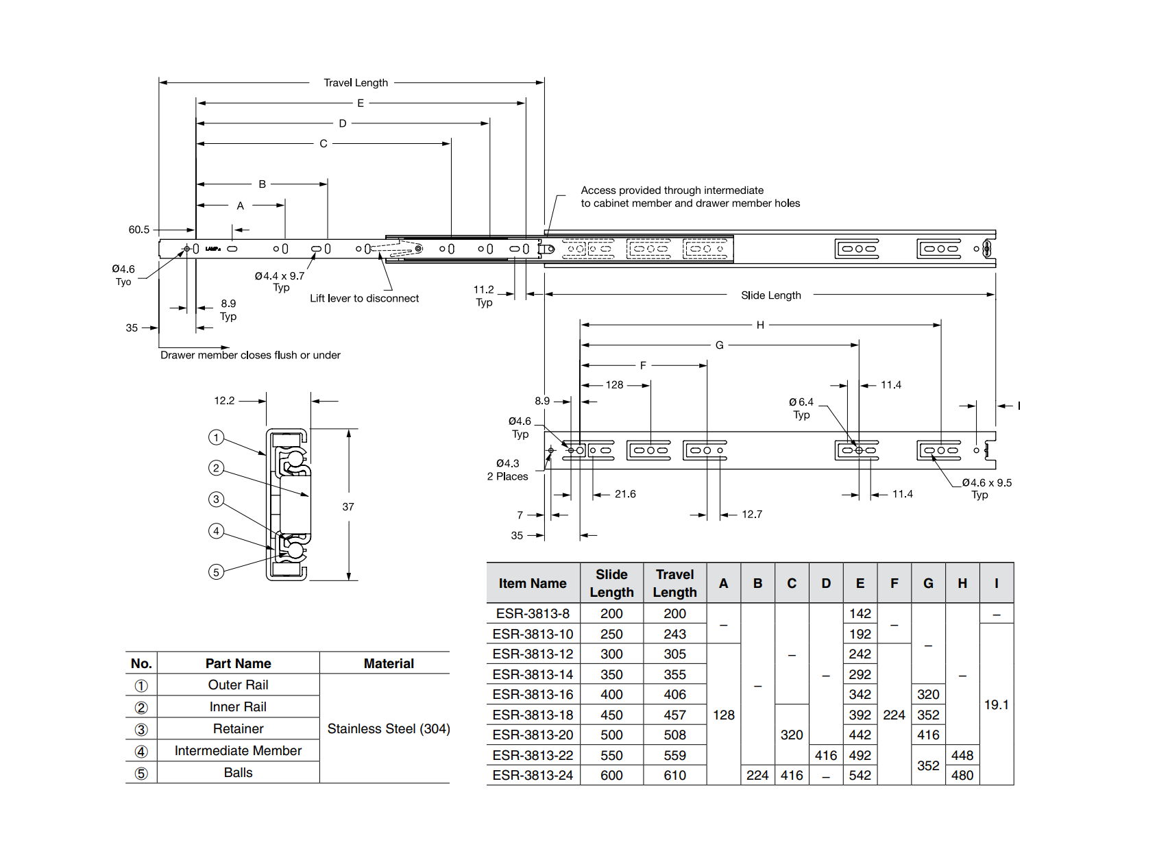
Udtræksskinne i rustfrit stål med fuldt udtræk og en udtrækslængde på 610mm. Bæreevnen er 29kg/par. Med friktionslås. Special produkter kan leveres på forespørgsel, hvis produkter i standard sortimentet ikke dækker behovet.
Aftagelig
Ja
Materialetype
Rustfrit stål
Type
Fuldt udtræk
Vægt
1180
Bæreevne i kg
29
Højde i mm
37
Længde i mm
600
Udtrækslængde i mm
610
Beskrivelse
Udtræksskinne i rustfrit stål med fuldt udtræk og en udtrækslængde på 610mm. Bæreevnen er 29kg/par. Med friktionslås. Special produkter kan leveres på forespørgsel, hvis produkter i standard sortimentet ikke dækker behovet.

Produktdata

eller opret en konto for at se priser, downloade datablade og CAD filer*

Opret konto

*ikke tilgængelig på alle varer