Udtræksskinne, rustfrit stål, udtrækslængde =725,4 mm og bæreevne på 182 kg

MT109755
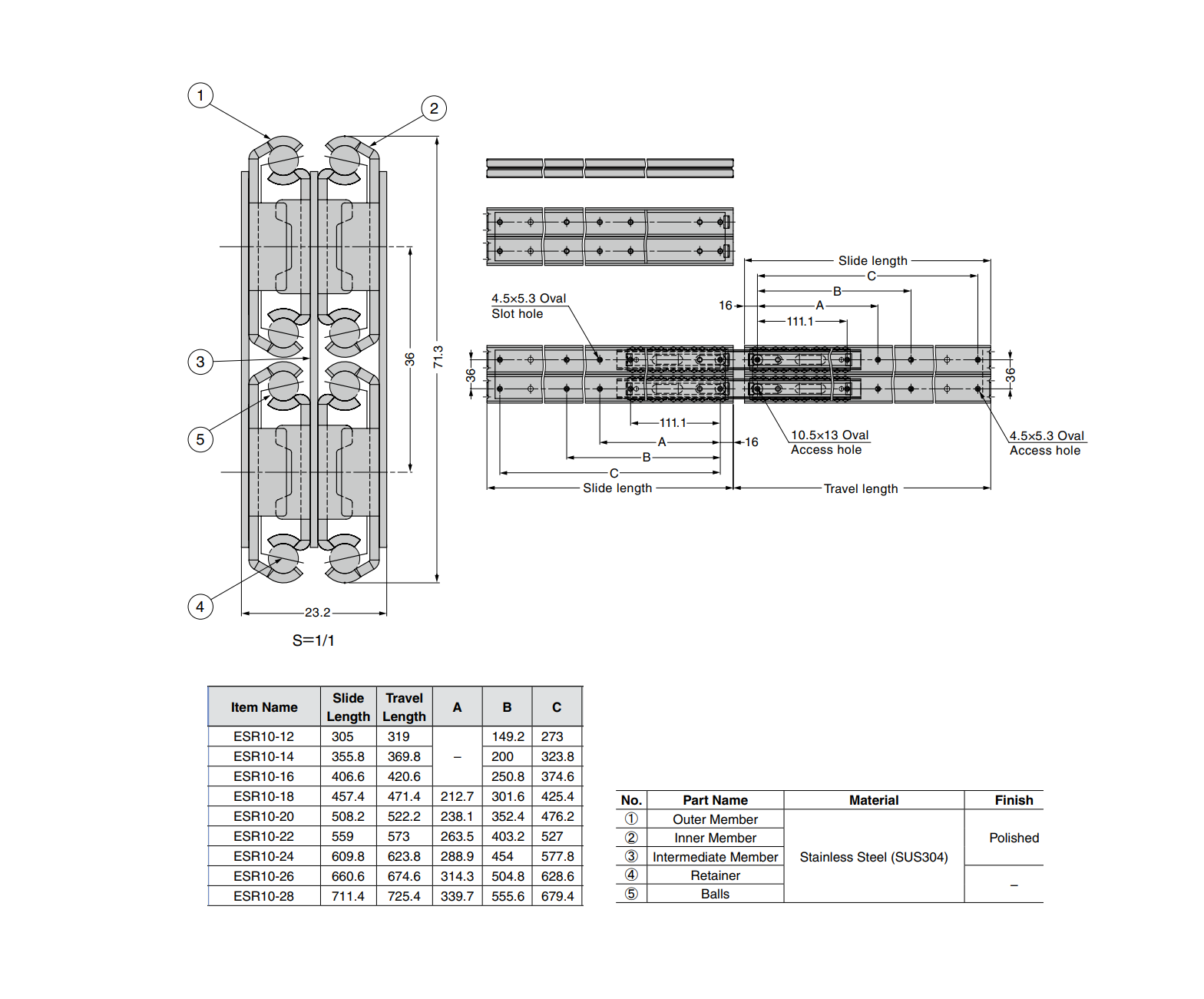
Udtræksskinne i rustfrit stål med fuldt udtræk og en udtrækslængde på 725,4mm. Bæreevnen er 182kg/par. Uden friktionslås. RoHS 2 godkendt. Special produkter kan leveres på forespørgsel, hvis produkter i standard sortimentet ikke dækker behovet.
Detachable
Nej
Material type
Rustfrit stål
Surface finish
Poleret
Type
Fuldt udtræk
Load capacity in kg
182
Height in mm
71,3
Length in mm
711,4
Extension length in mm
725,4
Beskrivelse
Udtræksskinne i rustfrit stål med fuldt udtræk og en udtrækslængde på 725,4mm. Bæreevnen er 182kg/par. Uden friktionslås. RoHS 2 godkendt. Special produkter kan leveres på forespørgsel, hvis produkter i standard sortimentet ikke dækker behovet.

Produktdata

eller opret en konto for at se priser, downloade datablade og CAD filer*

Opret konto

*ikke tilgængelig på alle varer